Sealand Rv Toilet Parts Diagram

Toilet repair parts for all brands.
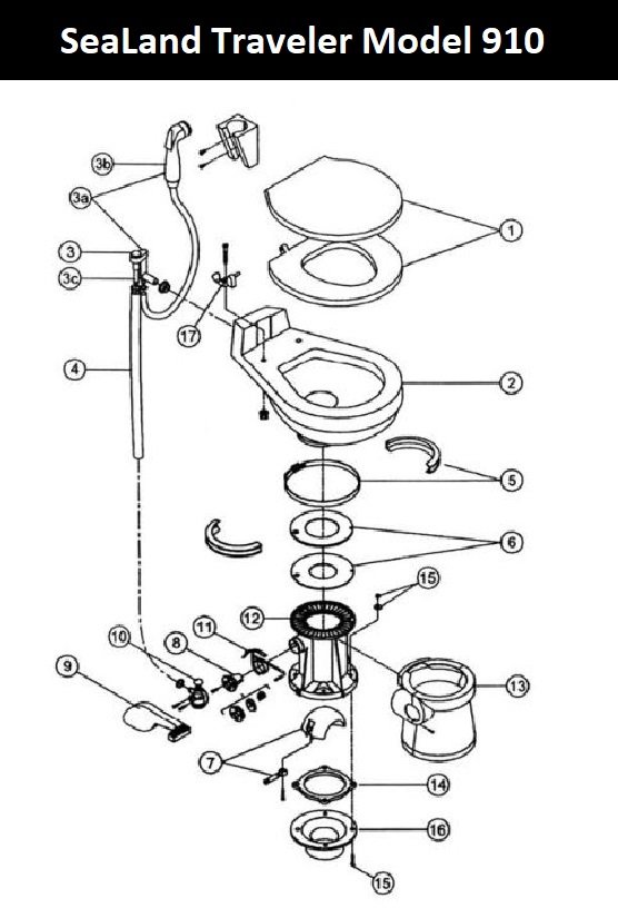
Sealand rv toilet parts diagram. 4 6 out of 5 stars 91. On sale now at ppl s rv parts superstore. 385343829 385343831 385343897 385343901 385343899. Sealand dometic parts this site is designed to help you find repair parts for your sealand and dometic products.
To order parts and products visit. Seat lid white seat lid bone seat lid platinum seat lid ebony seat lid teal. 111a sw 23rd st. Beech lane rv upgraded toilet water valve assembly 385314349 for dometic sealand ecovac vacuflush pedal flush toilets leak resistant increased lifespan high performance in freezing conditions.
Ready for immediate shipment.